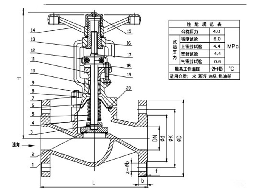
波纹管截止阀

您当前的位置:首页  / 产品中心  / 燃气阀门系列  / 气动波纹管截止阀 / 波纹管截止阀

产品展示

波纹管截止阀

波纹管截止阀
  • 质量稳定:实行全过程质量监控,细致入微,各方面检测!
  • 价格合理:严格把控成本控制,减少了开支,让利于客户!
  • 交货快捷:新型生产流水线,充足的备货,缩短了交货期!
  • 热线:0577-67370567

产品详情


相关信息

联系我们

  • 手机:13906673079
  • 座机:0577-67370567
  • 传真:0577-67370569
  • 地址:浙江省温州市永嘉县瓯北镇五星工业区

手机网站

  • 扫一扫访问手机网站

在线留言